Разработка, производство и продажа разветвителей интерфейсов

order@tdinnovation.ru

8 (495) 369-06-55

Самый инновационный в отрасли

Многофункциональный пассивный разветвитель интерфейсов МПР-3

Позволяет сделать разворот шины по одному кабелю

Совместим с интерфейсами RS485 и CAN

Максимальное напряжение, 24В

Максимальный ток, 2А

Удобно использовать без корпуса

Диаметр 40мм

Диаметр 40мм

Высота 17мм*

*со смонтированным проводом utp

Компактный размер

Хорошо подходит для монтажа в нишах

Совместим с практически любой распаячной коробкой

Подходит по форм-фактору к стандартному подрозетнику д.60мм и более

Позволяет сделать разворот шины по одному кабелю
Достаточно переставить микропереключатель

Микрик для конфигурирования петли

Переставляем микропереключатель

Петля готова

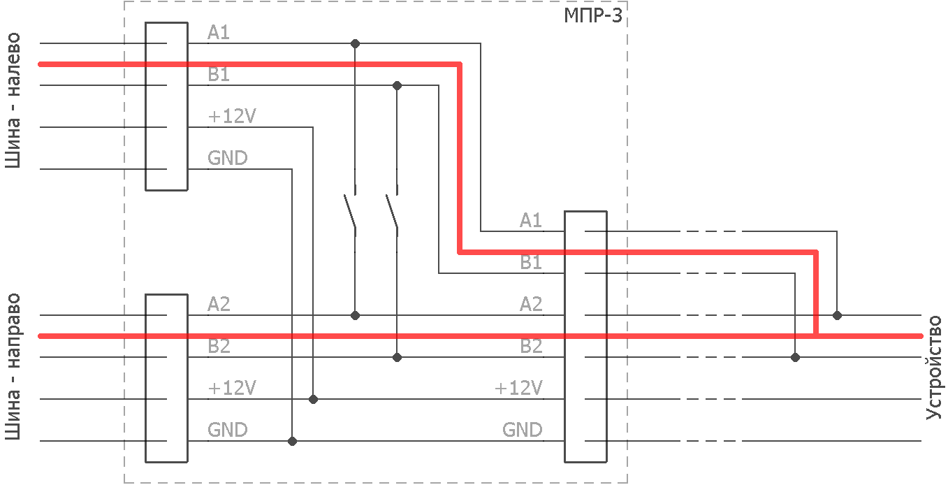
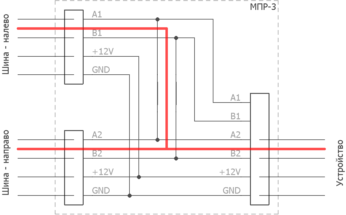
Схема короткого ответвления на МПР-3

Схема длинного ответвления на МПР-3

Схема ответвления "петля" на двух МПР-3

Примеры монтажа

Надежные пружинные клеммники позволяют легко соединить в зажиме стандартные жилы провода utp

Крепим коробку

Монтируем плату

Разводим провода на плату МПР-3

Разводим провода на плату МПР-3

Убираем плату МПР-3
в нишу каркасной стены

Шпатлюем и красим стену

Статья о возможных способах организации ответвлений шины умного дома RS485 / CAN

  • Давно хотелось найти не колхозное и не дорогое решение для коммутации шины умного дома. В своих применениях на базе стандарта RS485 мы используем два провода на данные и два на питание. В основном монтаж проводится в сухих отапливаемых помещениях. В среднем на сеть нужно от 20-30 и до нескольких сотен ответвлений. Значительная часть делается на кроссе и есть масса стандартных, дорогих и не очень решений на которых это можно сделать. Их мы не будем рассматривать в данном тексте, найти их не проблема. А вот другая часть ответвлений ...

Получить подробные характеристики МПР-3

Мы делаем лучшие разветвители



8 (495) 369-06-55

order@tdinnovation.ru

    best adware and malware removal